SK125 BS Nockenschalter, Befestigung an die Basisschiene
Nockenschalter, Befestigung an die Basisschiene SK125 BS
SK#-#\#
EAN:
Es wird empfohlen, dass die Schiene TS35, auf der der Schalter montiert sein soll auf Träger befestigt wird (nicht unmittelbar am Boden).
| Nennisolierspannung Ue | 690 V |
| Nennhaltestoßspannung Uimp | 8 kV |
| Dauer-Nennstrom Iu | 125 A |
| Konventioneller thermischer Strom in Luft Ith | 125 A |
| Frequenz | 50/60 Hz |
| Nennschaltstrom Ie in Kat. AC-21A, AC-22A | 125 A (230/400/500/690 V) |
| Nennschaltleistung Pe in Kat. AC-23A | 20 kW (230 V) 34 kW (400 V) 40 kW (500 V) 55 kW (690V) |
| Nennschaltleistung Pe in Kat. AC-3 | 20 kW (500 V) 28 kW (400 V) 34 kW (500 V) 40 kW (690 V) |
| Einschaltwinkel | 45°-90° |
| Kurzzeitiger Nennhaltestrom Icw(1s) | 1,7 kA |
| Nenn-Einschaltkurzschlussstrom Icm | 2,5 kA |
| Anschlussleitungen | mit Ringabschluss ø8 |
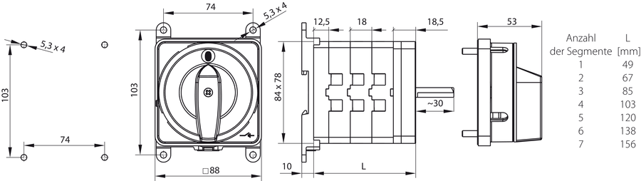
| Befestigung des Schalters an die Steuertafel | □68 |
| Anschlussschrauben | M8 |
| Maximales Anzugsdrehmoment für Leitungen | 12 Nm |
| Umgebungstemperatur | -40 ... +70°C (Betrieb) -40 ... +70°C (Lagerung) |
| Schutzart: PN-EN 60529 bezüglich auf das Pult | IP65 |
| Verschmutzung EN 60947-1 | 3 |
| Anzahl der Segmente im Schalter | 1 ... 7 |
| 2.42110 | Trennschalter 0-1 (1-polig) |
| 2.42111 | Trennschalter 0-1 (2-polig) |
| 4.4284 | Trennschalter 0-1 (3-polig) |
| 4.4285 | Trennschalter 0-1 (4-polig) |
| 2.43147 | Trennschalter 1-0-2 (1-polig) |







