SK10 BS Гърбичен прекъсвач за монтаж на основа -шина
Гърбични прекъсвачи за монтиране на шина SK10/16/20 BS
SK#-#\#
EAN:
| Номинално изолационно напрежение Ue | 690V |
| Номинално импулсно поносимо напрежение Uimp | 4 kV |
| Продължителен номинален ток Iu=Ith | 16 A |
| Номинален ток на включване Ie w kat. AC-21A, AC-22A | 10 A (230/400/500/690 V) |
| Номинална мощност на включване Pe w kat. AC-23A | 15 kW (230 V) 3 kW (230 V) 38 kW (500 V) 50 kW (690 V) |
| Номинална мощност на включване Pe w kat. AC-3 | 1,5 kW (230 V) 3 kW (400 V) 3,5 kW (500 V) 5 kW (690 V) |
| Номинален ток на включване Ie w kat. DC-21A | 10 A (24 V) 6 A (110 V) 5 A (220 V) |
| Номинален допустим кратковременен ток Icw(1s) | 0,25 kA |
| Номинален действащ ток на късо съединение Icm | 0,34 kA |
| Номинал допустим ток на късо съединение | 10 kA |
| Номинален ток на вложката на предпазителя gG | 10 A |
| Сечение на свързващите проводници | 1...4 mm² |
| Момент на затягане на клемите | 0,5 Nm |
| Монтиране на прекъсвачи към панел | 31/□36 |
| Механична устойчивост | 3,0 mln (цикли на преместване) |
| Околна температура | -40 ... +70°C (работа) -40 ... +70°C (съхранение) |
| Степен на зщита: PN-EN 60529 относно панел | IP65 |
| Степен на зщита на кутия OB | IP65 |
| Устойчивост на вибрации (съгласно IEC 60068-2-6) | 2...13, 2...100 Hz (честота) ± 1 mm (амплитуда на преместването) ± 0,7 g (амплитуда на ускорението) |
| Устойчивост на удари (съгласно IEC 60068-2-27) | 15 g (върхово ускорение) 11 ms (времетраене на импулса) |
| Устойчивост на циклична влага и топлина (IEC 60068-2-30) | 55°C (околна темперетура) 95% (относителна влажност) |
| Устойчивост на циклична солена мъгла (съгласно IEC 60068-2-52) | строгост на изпитване 1 |
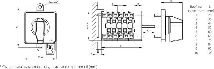
| Брой на сегментите в прекъсвача | 1 ... 10 |
| 1.825 | Прекъсвач 0-1 (1 - полюсен) |
| 1.828 | Прекъсвач 0-1 (2 - полюсен) |
| 2.8211 | Прекъсвач 0-1 (3 - полюсен) |
| 2.8210 | Прекъсвач 0-1(4 - полюсен) |
| 3.8220 | Прекъсвач 0-1 (5 - biegunowy) |
| 3.8210 | Прекъсвач 0-1 (6 - полюсен) |
| 4.8240 | Прекъсвач 0-1 (7 - полюсен) |
| 4.824 | Прекъсвач 0-1 (8 - полюсен) |
| 5.8220 | Прекъсвач 0-1 (9 - полюсен) |
| 5.822 | Прекъсвач 0-1 (10 - полюсен) |
| 6.8210 | Прекъсвач 0-1 (11 - полюсен) |
| 6.821 | Прекъсвач 0-1 (12 - полюсен) |
| 7.8220 | Прекъсвач 0-1 (13 - полюсен) |
| 7.822 | Прекъсвач 0-1 (14 - полюсен) |
| 8.8270 | Прекъсвач 0-1 (15 - полюсен) |
| 8.827 | Прекъсвач 0-1 (16 - полюсен) |
| 9.8210 | Прекъсвач 0-17 (1 - полюсен) |
| 9.821 | Прекъсвач 0-18 (1 - полюсен) |
| 10.8210 | Прекъсвач 0-1 (19 - полюсен) |
| 10.821 | Прекъсвач 0-1 (20 - полюсен) |
| 3.8368 | Превключвател на посоката на оборотите L-0-P |
| 3.83139 | Двускоростен превключвател с две отделни намотки |
| 4.8390 | Превключвател Даландер двускоростен |
| 7.8538 | Реверсивен превключвател Даландер двускоростен |
| 4.831 | Трифазен пусков превключвател 0-Y-∆ |
| 5.8538 | Трифазен пусков реверсивен превключвател |
| 6.4470 | Превключвател Даландер трискоростен с единична намотка за ниска скорост |
| 6.4480 | Превключвател Даландер трискоростен с единична намотка за средна скорост скорост |
| 6.4490 | Превключвател Даландер трискоростен с единична намотка за висока скорост |
| 4.883 | Превключвател за измерване на напрежение |
| 2.4414 | оборотни прекъсвачи |
| 2.8445 | Контролен п-ревключвател 0-1-2-3 |
| 1.834 | Прекъсвач 1-0-2 (1 - полюсен) |
| 2.8338 | Прекъсвач 1-0-2 (2 - полюсен) |
| 3.8380 | Прекъсвач 1-0-2 (3 - полюсен) |
| 4.8396 | Прекъсвач 1-0-2 (4 - полюсен) |
| 5.8380 | Прекъсвач 1-0-2 (5 - полюсен) |
| 6.8380 | Прекъсвач 1-0-2 (6 - полюсен) |
| 7.8380 | Прекъсвач 1-0-2 (7 - полюсен) |
| 8.8380 | Прекъсвач 1-0-2 (8- полюсен) |
| 9.8380 | Прекъсвач 1-0-2 (9 - полюсен) |
| 10.8380 | Прекъсвач 1-0-2 (10 - полюсен) |
Изпълнение
3D model
Размери
Reference
Download
| Обща информация 2018-04-13 |
|
| технически лист 2017-09-29 |
|
| Поръчка на нестандартен прекъсвач 2018-04-13 |
|
| Manuall | |
| Oświadczenie GPRS 2025-01-28 |
|
| Instrukcja GPRS 2025-01-28 |












