SK10G SA22 Кулачковый переключатель с креплением на переднюю панель в отверстие ø22 поворотный ключом
Кулачковые переключатели с креплением на передюю панель SK 10G/16G/20G SA22
SK#G-#\#
EAN:
| Номинальное напряжение изоляции Ue | 690 В |
| Номинальное напряжение импульсное выдерживаемое Uimp | 4 кВ |
| Длительный номинальный ток Iu=Ith | 16 A |
| Номинальный ток включения Ie в кат. AC-21A, AC-22A | 10 A (230/400/500/690 B) |
| Номинальная мощность включения Pe в кат. AC-23A | 2 кВт (230 В) 4 кВт (400 В) 5 кВт (500 В) 6 кВт (690 В) |
| Номинальная мощность включения Pe в кат. AC-3 | 1,5 кВт (230 В) 3 кВт (400 В) 3,5 кВт (500 В) 5 кВт (690 В) |
| Номинальный ток включения Ie в кат. DC-21A | 10 A (24 B) 6 A (110 B) 5 A (220 B) |
| Номинальный ток кратковременный допустимый Icw(1сек) | 0,5 кA |
| Номинальный ток включения короткого замыкания Icm | 0,7 кA |
| Номинальный ток короткого замыкания условный | 10 кA |
| Номинальный ток предохранительной вставки gG | 10 A |
| Сечение подводящих проводов | 1,0...2,5 мм² (жестких, гибких) |
| Момент затяжки зажимов | 0,8 Нм |
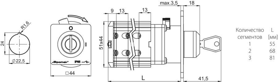
| Крепление переключателя к передней панели | ø22 |
| Механическая износостойкость | 3,0 млн. (циклов В-О) |
| Количество сегментов в переключателе | 1 ... 3 |
| 1.825 | Переключатель 0-1 (1 - полюсный) |
| 1.828 | Переключатель 0-1 (2 - полюсный) |
| 2.8211 | Переключатель 0-1 (3 - полюсный) |
| 2.8210 | Переключатель 0-1 (4 - полюсный) |
| 3.8220 | Переключатель 0-1 (5 - полюсный) |
| 3.8210 | Переключатель 0-1 (6 - полюсный) |
| 3.8368 | Переключатель изменения направления вращения L-0-P |
| 3.83139 | Переключатель двухскоростной для двух отдельных обмоток |
| 2.4414 | Переключатель поворотный 0-1 |
| 2.8445 | Переключатель цепей 0-1-2-3 |
| 1.834 | Переключатель 1-0-2 (1 - полюсный) |
| 2.8338 | Переключатель 1-0-2 (2 - полюсный) |
| 3.8380 | Переключатель 1-0-2 (3 - полюсный) |



